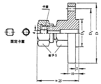
上海自動化儀表三廠化工用熱電偶、熱電阻卡套法蘭圖片尺寸及執行標準如下:
1.化工用熱電偶、熱電阻固定卡套法蘭圖片尺寸及執行標準




2.化工用熱電偶、熱電阻可動卡套法蘭圖片尺寸及執行標準




13501686122
作者:上海自動化儀表三廠 瀏覽量:16824 時間:2018-08-05
上海自動化儀表三廠 化工用熱電偶、熱電阻卡套法蘭圖片尺寸及執行標準如下: 1.化工用熱電偶、熱電阻固定卡套法蘭圖片尺寸及執行標準 2.化工用熱電偶、熱電阻可動卡套法蘭圖片尺寸及執行標準.



