
熱電偶熱電阻安裝底座簡介
上海自動化儀表三廠生產的熱電偶熱電阻安裝底座或安裝凸臺,主要用于熱電偶熱電阻與管道連接。
熱電偶熱電阻安裝底座主要技術參數
◆量程范圍:0-800℃
◆適用范圍:主要適用于熱電偶熱電阻或其它儀表的安裝
◆底座直徑:Φ48mm(使用于M27*2的螺紋),Φ54mm(適用于M33*2的螺紋)
◆底座材質:碳鋼,不銹鋼304,321,316或其它
◆底座高度:一般為60mm
◆安裝方式:焊接式
◆底座重量:約0.3-0.5Kg
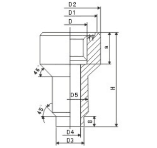
熱電偶熱電阻安裝底座安裝圖片
◆熱電偶熱電阻安裝底座
具體的安裝數據按著用戶的實際需要選用



客服1